Hello everyone,
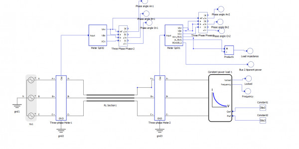
I’m comparing load models in a simple 2-bus system using Typhoon HIL. With impedance loads, the system behaves correctly, but when using a constant power load the system becomes unbalanced.
At the load node, the power values are not as expected and oscillate between negative and positive values.
I’ve checked time step, execution rates, and parameters, but the issue persists.
Could this be due to the inherent behavior of constant power loads, or a modeling issue?
Thanks in advance.
